

3.All the components inside valve are all in stainless design,strong capacity in resistance
氣體疏水閥/GAS DRAIN VALVE


技術參數/Technique parameter
|
產品型號 Product model |
技術參數Technique parameter |
|||
|
閥體材料 Valve body material |
PMA(MPa) |
最高允許溫度(℃) Maximum allowable temperature |
適用介質 Used medium |
|
|
WDV311 AE5、AE8、T880 CAS14、CAS44 QS5、QS7、QS9 |
不銹鋼 Stainless steel 碳鋼 Carbon steel 碳鋼 Carbon steel 碳鋼 Carbon steel |
1.6 1.6 1.6 1.6 |
200 350 350 350 |
氣體、液體Gas、Liquid 氣體、液體Gas、Liquid 氣體、液體Gas、Liquid 氣體、液體Gas、Liquid |
主要零件材料/The materials of primary accessories
|
零部件名稱 Part and component name |
材質 Material |
|
閥體、閥蓋 Valve body、Valve cover |
碳鋼、不銹鋼 Carbon steel、Stainless steel |
|
浮子 Floater |
不銹鋼 Stainless steel |
|
閥座 Valve seat |
不銹鋼 Stainless steel |
|
過濾網 Filtrating screen |
不銹鋼 Stainless steel |
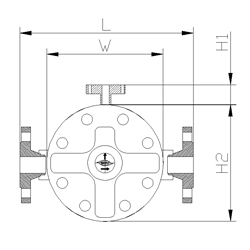
外形尺寸和重量/Prime out-form dimensions and weight
|
產品型號 Product model |
口徑(DN) Calibre |
L法蘭 Flange |
L螺紋/ 焊接 Thread/ welding |
H1 |
H2 |
W |
重量(kg) Weight |
使用壓力 范圍(MPa) Pressure change range |
公稱壓力 (MPa) Nominal pressure |
|
CAS11 |
15-25 |
- |
125 |
55 |
55 |
110 |
3 |
0.1-1.6 |
2.5 |
|
CAS14 |
15-25 |
200 |
- |
55 |
55 |
110 |
|
0.1-1.6 |
2.5 |
